12. Calculation formula of Young's modulus

12. Calculation formula of Young's modulus Symbol description and unit
(1-1) Young's modulus E=σ/ε   〔kgf/mm2
E=
σ: Tensile (compressive) stress   〔kgf/mm2
ε: Strain in the stress direction
(1-2) Young's modulus E=P*L/(A*L')   〔kgf/mm2
E=
P: Tensile (compressive) load〔kgf〕
L : Initial length of material 〔mm〕
A: Cross-sectional area 〔mm2
L':Length of expansion (tension) and contraction (compression)〔mm〕
(2)Strain in the stress direction ε=L'/L
ε=
L': Length of expansion (tension) and contraction (compression)〔mm〕
L:Initial length of material 〔mm〕

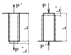
     (a) Tension          (b) compression
material Young's modulus
Mild steel
Hard steel
Cast steel
cast iron
Nickel steel
Copper casting
Copper rod and copper wire
Phosphor bronze
Gunmetal
brass
Monetal
Duralumin
Aluminum
Nickel
zinc
lead
Tin
Gold
Silver
granite
marble
sandstone
Andesite
Concrete
Red brick (burnt)
Red brick (normal firing)
Akamatsu
black pine
Cedar
Japanese cypress
Chestnut
Shirakashi
Nara
Zelkova
Kaede
bamboo
20,500〜21,000
21,000
17,500〜21,600
7,500〜11,900
20,900
8,400〜9,000
10,500〜12,100
9,450〜10,500
8,050〜8,400
7,000〜10,000
17,500〜18,300
7,350
6,300〜7,500
20,000〜22,000
8,000〜13,000
1,500〜1,700
4,000〜5,500
7,000〜9,500
6,000〜8,000
5,000
3,100
1,700
1,150
2,400
2,100
930
570〜1,400
850
570〜1,300
770〜1,300
490〜1,100
760〜860
590〜1,100
840〜1,100
570〜860
990
Reference: "Machine Official Collection" (co-authored by Masaaki Oishi / Tatsuo Inami) Material Mechanics, page 45, Refer to Young's modulus. References: "Machine Design Handbook for Engineers" (Revised by Saburo Kano) Mechanical Properties Allowable Stress and Mechanical Properties of Materials Page 129 Quoted from the table of elastic modulus of materials.