14. Calculation formula for thin-walled circular tube that receives internal pressure
14.Calculation formula for thin-walled circular tube that receives internal pressure
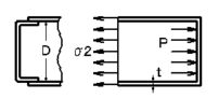
Symbol description and unit
(14-1) Hoop stress
σ
1
: Hoop stress (stress that tries to tear a cylinder or pipe in the longitudinal direction)
σ
1
=P*D/(2*t) 〔kgf/mm
2
〕
σ
1
=
P:Internal pressure acting on the cross section in the longitudinal direction (including the axis) 〔kgf/mm
2
〕
D: Inner diameter of cylinder (tube) 〔mm〕
(14-2) Cylindrical axial stress
σ
2
=P*D/(4*t) 〔kgf/mm
2
〕
σ
2
=
t: Thickness of cylinder (tube) 〔mm〕
Reference: "Machine Official Collection" (co-authored by Masaaki Oishi / Tatsuo Inami) Material Mechanics, page 49, Hoop stress (thin-walled cylinder)。