20-2. Calculation formula of tension acting on the chain
( Vertical transport)
20-2. Calculation formula of tension acting on the chain
(Vertical transport.
Symbol description and unit
Maximum static tension acting on the chain〔kgf〕
T
MAX
=(W+M)*H 〔kgf〕
T
MAX
=
W: Weight per unit length of goods to be transported [kgf/m]
M: Weight of movable carrier( Weight of chain * number, bucket, apron, etc.) [kgf/m]
H:Sprocket center distance(Vertical direction)〔m〕
Calculation of required power of drive motor
kW=T
MAX
*V*α/(102*60*η)
kW=
T
MAX
:Maximum static tension acting on the chain 〔kgf〕
V: Transport speed( Chain speed)[m/min]
α: Motor safety factor
η:Machine transmission efficiency of the drive unit
Calculation of drive motor reduction ratio
K=Z
1
*P*Z
2
/Z
3
*R/V/1000
K=
(K: Motor reduction ratio)
V: Transport speed( Chain speed) [m/min]
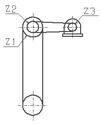
Z
1
: Number of teeth on conveyor chain sprocket
Z
2
: Number of teeth on the drive shaft sprocket
Z
3
: Number of teeth on the motor shaft sprocket
R:Synchronous rotation speed of the motor
60Hz:1800 RPM
50Hz:1500 RPM
P:Chain pitch[mm]
Chain tension and motor power calculation explanatory diagram
Motor reduction ratio calculation explanatory diagram