22. Calculation formula for drive belt conveyor
22.Calculation formula for drive belt conveyor
Symbol description and unit
Calculation formula for drive belt conveyor
(1) Axial power required to drive a no-load belt conveyor [kW]
N
1
=f*W*V*(L+L
0
)/(102*60)
=f*W*V*(L+L
0
)/6120
N
1
=
(2)Axial power required for horizontal transportation of goods [kW]
N
2
=f*Q*(L+L
0
)/367
N
2
=
(3) Full drive shaft power of belt conveyor [kW]
N=N
1
+N
2
N=
(4)Required number of revolutions for the drive pulley
R
P
=V/(D*π)
R
P
=
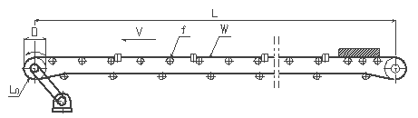
f: Coefficient of friction
W: Weight of moving parts other than the transported object 〔kg/m〕
V: Belt speed [m/min]
L: Conveyor captain( Head and tail belt car center distance) [m]
L
0
: Center distance correction value [m]
Q: Transportation amount 〔t/hr〕
D: Drive pulley diameter [m]
L
0
:Contents of center distance correction value:
1. Power loss to transform the conveyor belt into the shape of a trough idler
2. Head pulley, tail pulley, Power loss for rotating snap pulleys, etc.
3.Power loss to bend the belt at various pulleys
4.Power loss consumed by cleaning the belt and rubbing the skirt
Roller friction coefficient f and center distance correction value L
0
f
0.03
A device that uses rollers with normal rotational resistance and is not installed in a very good condition.
0.022
Equipment that uses rollers with particularly low rotational resistance and is in good installation condition.
0.012
When calculating the braking of the down conveyor
Calculation explanatory diagram of drive belt conveyor
References: "Theory and Calculation Belt Conveyor" (written by Utaro Mashima), pp. 75-80, refer to the drive of the belt conveyor.