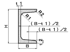
| Standard cross-sectional dimensions mm ![]() |
Cross-sectional area cm2 |
Unit mass kg/m |
Of the center of gravity position cm |
Moment of inertia of area cm4 |
Second moment of area radius cm |
Moment of inertia cm3 |
|||||||
|---|---|---|---|---|---|---|---|---|---|---|---|---|---|
| HxBxt1 | t2 | R1 | R2 | Cx | Cy | Ix | Iy | ix | iy | Zx | Zy | ||
| 75x40x5 | 7 | 8 | 4 | 8.818 | 6.92 | 0 | 1.28 | 75.3 | 12.2 | 2.92 | 1.17 | 20.1 | 4.47 |
| 100x50x5 | 7.5 | 8 | 4 | 11.92 | 9.36 | 0 | 1.54 | 188 | 26.0 | 3.97 | 1.48 | 37.6 | 7.52 |
| 125x65x6 | 8 | 8 | 4 | 17.11 | 13.4 | 0 | 1.90 | 424 | 61.8 | 4.98 | 1.90 | 67.8 | 13.4 |
| 150x75x6.5 | 10 | 10 | 5 | 23.71 | 18.6 | 0 | 2.28 | 861 | 117 | 6.03 | 2.22 | 115 | 22.4 |
| 150x75x9 | 12.5 | 15 | 7.5 | 30.59 | 24.0 | 0 | 2.31 | 1050 | 147 | 5.86 | 2.19 | 140 | 28.3 |
| 180x75x7 | 10.5 | 11 | 5.5 | 27.20 | 21.4 | 0 | 2.13 | 1380 | 131 | 7.12 | 2.19 | 153 | 24.3 |
| 200x80x7.5 | 11 | 12 | 6 | 31.33 | 24.6 | 0 | 2.21 | 1950 | 168 | 7.88 | 2.32 | 195 | 29.1 |
| 200x90x8 | 13.5 | 14 | 7 | 38.65 | 30.3 | 0 | 2.74 | 2490 | 277 | 8.02 | 2.68 | 249 | 44.2 |
| 250x90x9 | 13 | 14 | 7 | 44.07 | 34.6 | 0 | 2.40 | 4180 | 294 | 9.74 | 2.58 | 334 | 44.5 |
| 250x90x11 | 14.5 | 17 | 8.5 | 51.17 | 40.2 | 0 | 2.40 | 4680 | 329 | 9.56 | 2.54 | 374 | 49.9 |
| 300x90x9 | 13 | 14 | 7 | 48.57 | 38.1 | 0 | 2.22 | 6440 | 309 | 11.5 | 2.52 | 429 | 45.7 |
| 300x90x10 | 15.5 | 19 | 9.5 | 55.74 | 43.8 | 0 | 2.34 | 7410 | 360 | 11.5 | 2.54 | 494 | 54.1 |
| 300x90x12 | 16 | 19 | 9.5 | 61.90 | 48.6 | 0 | 2.28 | 7870 | 379 | 11.3 | 2.48 | 525 | 56.4 |
| 380x100x10.5 | 16 | 18 | 9 | 69.39 | 54.5 | 0 | 2.41 | 14500 | 535 | 14.5 | 2.78 | 763 | 70.5 |
| 380x100x13 | 16.5 | 18 | 9 | 78.96 | 62.0 | 0 | 2.33 | 15600 | 565 | 14.1 | 2.67 | 823 | 73.6 |
| 380x100x13 | 20 | 24 | 12 | 85.71 | 67.3 | 0 | 2.54 | 17600 | 655 | 14.3 | 2.76 | 926 | 87.8 |
| References: "JIS Handbook 2001 (2) Steel II Rod / Shape / Plate / Strip / Steel Pipe / Wire / Secondary Product" (Japanese Standards Association), Page 420, Appendix Table 5 Standard cross-sectional dimensions, cross-sectional area, and unit mass of channel steel And quoted from cross-sectional characteristics. | |||||||||||||