14.内圧を受ける薄肉円管の計算式
14.内圧を受ける薄肉円管の計算式
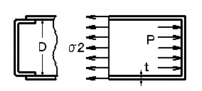
記号説明及び単位
(14-1) フープ応力
σ
1
:フープ応力(円筒や管を長手の方向に裂こうとする応力)
σ
1
=P*D/(2*t) 〔kgf/mm
2
〕
σ
1
=
P:長手(軸を含む)方向の断面に働く内圧 〔kgf/mm
2
〕
D:円筒(管)の内径 〔mm〕
(14-2) 円筒軸方向応力
σ
2
=P*D/(4*t) 〔kgf/mm
2
〕
σ
2
=
t:円筒(管)の厚さ 〔mm〕
参考文献:「機械公式集」 (大石正昭/稲見辰夫 共著) 材料力学 第49頁 フープ応力(薄肉円筒)を参考。