20-2.チェーンに作用する張力の計算式
(垂直搬送)
20-2.チェーンに作用する張力の計算式
(垂直搬送)
記号説明及び単位
チェーンに作用する静的最大張力〔kgf〕
T
MAX
=(W+M)*H 〔kgf〕
T
MAX
=
W:搬送物の単位長さ当りの重量 [kgf/m]
M:可動搬送部の重量(チェーン*条数、バケット、エプロンなどの重量) [kgf/m]
H:スプロケット中心距離(垂直方向)〔m〕
駆動モータの所要動力の計算
kW=T
MAX
*V*α/(102*60*η)
kW=
T
MAX
:チェーンに作用する静的最大張力 〔kgf〕
V:搬送速度(チェーン速度)[m/min]
α:モータ安全率
η:駆動部の機械伝動効率
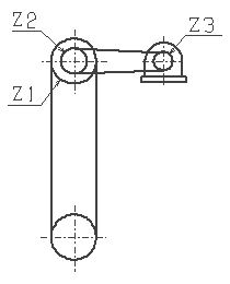
駆動モータの減速比の計算
K=Z
1
*P*Z
2
/Z
3
*R/V/1000
K=
(K:モータの減速比)
V:搬送速度(チェーン速度) [m/min]
Z
1
:コンベヤチェーンスプロケットの歯数
Z
2
:駆動軸スプロケットの歯数
Z
3
:モータ軸スプロケットの歯数
R:モータの同期回転数
60Hz:1800 RPM
50Hz:1500 RPM
P:チェーンピッチ[mm]
チェーン張力及びモータ動力計算説明図
モータの減速比計算説明図