22.駆動ベルトコンべヤの計算式
22.駆動ベルトコンべヤの計算式
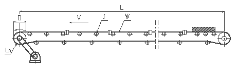
記号説明及び単位
駆動ベルトコンべヤの計算式
(1)無負荷ベルトコンベヤを駆動するに必要な軸動力 [kW]
N
1
=f*W*V*(L+L
0
)/(102*60)
=f*W*V*(L+L
0
)/6120
N
1
=
(2)運搬物の水平輸送に必要な軸動力 [kW]
N
2
=f*Q*(L+L
0
)/367
N
2
=
(3)ベルトコンベヤの全駆動軸動力 [kW]
N=N
1
+N
2
N=
(4)駆動プーリの必要な回転数
R
P
=V/(D*π)
R
P
=
f:回転摩擦係数
W:運搬物以外の運動部分の重量 〔kg/m〕
V:ベルト速度 [m/min]
L:コンベヤの機長(頭部と尾部ベルト車の中心距離) [m]
L
0
:中心距離修正値 [m]
Q:輸送量 〔t/hr〕
D:駆動プーリの直径 [m]
L
0
:中心距離修正値の内容:
1.コンベヤベルトをトラフアイドラの形に変形させるための動力損失
2.ヘッドプーリ,テールプーリ,スナッププーリなどを回転させるための動力損失
3.各種プーリのところでベルトを湾曲させるための動力損失
4.ベルトの清掃およびスカート部の摩擦に消費される動力損失
ローラの摩擦係数f と中心距離修正値L
0
f
0.03
回転抵抗が普通のローラを使用した装置で,設置状態があまり良好でないもの
0.022
回転抵抗がとくに少ないローラを使用した装置で,設置状態が良好なるもの
0.012
下りコンベヤの制動を計算する場合
駆動ベルトコンべヤの計算説明図
参考文献:「理論と計算ベルト・コンベヤ」 (真島卯太郎著) 第75頁〜第80頁 ベルトコンベヤの駆動を参考。