7.慣性モーメントとGD
2
の計算式
7.慣性モーメントとGD
2
の計算式
記号説明及び単位
7.1 回転半径K の計算
K
2
=r
1
2
/2[m]
K
2
=
K=
r
1
:回転軸からの距離(回転体の半径)[m]
K
2
=(r
1
2
+r
2
2
)/2[m]
K
2
=
K=
r
1
:回転軸からの距離(回転体の外径)[m]
r
2
:回転軸からの距離(回転体の内径)[m]
K
2
=(a
2
+b
2
)/3[m]
K
2
=
K=
a:回転軸からの距離(回転体の長さ/2)[m]
b:回転軸からの距離(回転体の幅/2)[m]
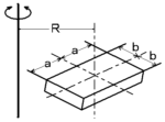
K
2
=r
1
2
/2+R
2
[m]
K
2
=
K=
r
1
:回転体の半径[m]
R:回転軸からの距離[m]
K
2
=(r
1
2
+r
2
2
)/2+R
2
[m]
K
2
=
K=
r
1
:回転体の外径[m]
r
2
:回転体の内径[m]
R:回転軸からの距離[m]
K
2
=(a
2
+b
2
)/3+R
2
[m]
K
2
=
K=
a:回転体の長さ/2[m]
b:回転体の幅/2[m]
R:回転軸からの距離[m]
7.2 慣性モーメントI の計算
(1)慣性モーメントI
SI単位系
I=m*K
2
[kg・m
2
]
I=
m:回転体の質量 [kg]
K:回転半径 [m]
(2)慣性モーメントI
重力単位系
I=W/g*K
2
[kgf・ms
2
]
I=
g=9.8m/s
2
:重力加速度
W:回転体の重さ [kgf]
K:回転半径 [m]
7.3 GD
2
の計算
(1)GD
2
GD
2
=4*I*g [kgf・m
2
]
GD
2
=
g=9.8m/s
2
:重力加速度
I:慣性モーメント[kgf・ms
2
]
慣性モーメントは、ある物体の回転半径の二乗とその物体の質量との積であり、I=mK
2
で表わされる慣性モーメントは、 回転半径Kの位置に置かれた質量mの物体のものを表わします。
一方、従来使用されてきた「GD
2
」は、重力単位系における慣性モーメントの表現方法であり、Gは物体の重量W(=mg)、 D(=2K)は回転直径を表わします。重力単位系の慣性モーメント I とGD
2
の関係は、g を重力加速度とすると、 I=mK
2
=(W/g)K
2
=GD
2
/4g(kgf・ms
2
)のようになります。